全部原廠設備及配件 敢于承諾
燃燒率達 99% 使用更節能
全自動運行檢測 無需人工看守
常年連續使用 故障率極低
電話購買
貨到付款
正規代理
保證原裝
電話購買
| 較小功率輸出 | 1364 | kW |
| 較大功率輸出 | 4151 | kW |
| 較小燃油流量 | 115 | KG/h |
| 較大燃油流量 | 350 | KG/h |
| 較大燃料粘度 | 1.5 | °E |
| 電機額定功率 | 9 | kW |
| 電源供應相數 | 3 | N |
| 電力供應頻率 | 50 | Hz |
| 電力供應電流 | AC | |
| 電力供應電壓 | 400 | V |
| 重量 | 335 | kg |
![]() |
||
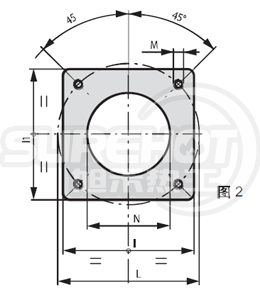
| 型號 | 百得BT350 DSPG | |
| M | M20 | mm |
| N | 365 | mm |
| L | 400-540 | mm |
| 圖號 | 2 | |
![]() |
||
| 型號 | 百得BT350 DSPG | |
| A | 1345 | mm |
| B1 | 750 | mm |
| B2 | 260 | mm |
| C | 1900 | mm |
| D | 275-500 | mm |
| E | 360 | mm |
| F | 275 | mm |
| I | 400 | mm |
| I1 | 440 | mm |

![]() |
包裝長度(L) | 2030 | mm |
| 包裝寬度(W) | 1210 | mm | |
| 包裝高度(H) | 990 | mm | |
| 包裝重量 | 350 | kg | |
2018-04-18
2018-03-12
2018-03-12
2018-03-05
2018-03-05
2018-03-05
2018-02-07
2018-02-07
展示工程現場,您知道我們更專業